2002 Dodge Grand Caravan Wiring Diagram : Diagram Of Carburetor On 2002 Dodge Grand Caravan Wiring Diagram Recent Slime Fame Slime Fame Cosavedereanapoli It - 1993 dodge grand caravan es.. Manuals and user guides for dodge grand caravan. The previously released dodge charge has more powerful technical. 2007 dodge grand caravan radio fuses. We have 18 dodge vehicles diagrams, schematics or service manuals to choose from, all free to download! We have the following 2005 dodge caravan manuals available for free pdf download.

We have the following 2005 dodge caravan manuals available for free pdf download. Owner's manual, user manual, specifications. We have 18 dodge vehicles diagrams, schematics or service manuals to choose from, all free to download! Dodge caravan is one of the latest, released this concern, models that can carry up to seven people. The location and function of fuses in cars produced.

2001 Dodge Grand Caravan Sport Fuse Box Wiring Diagram Schema Wide Restoration Wide Restoration Dragomarino It
2001 Dodge Grand Caravan Sport Fuse Box Wiring Diagram Schema Wide Restoration Wide Restoration Dragomarino It from ww2.justanswer.com
I have a 2007 dodge grand caravan sxt, and for the sakes of my remaining hair, i could use some help… i have been fixing this vehicle myself with good success, but recently it got into some electrical funkiness that is sort of the end of my realm, because i don't have the applicable wiring diagrams. A wiring diagram is a streamlined traditional photographic representation of an electrical circuit. We have 18 dodge vehicles diagrams, schematics or service manuals to choose from, all free to download! So, i need the wiring / electrical schematic for this van, or if anyone hi tizzy, could you send me a 2002 dodge caravan wiring diagram headlights. Chrysler gs voyager caravan grandcaravan 1998 system wiring diagrams pdf. Dodge grand caravan es 1993 wiring diagrams sch. 2005 mitchell repair information company, llc. It shows the components of the circuit as simplified shapes, and the capability and signal connections between the devices.

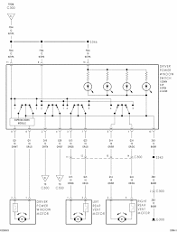
Caravan power window lift system circuit diagram.

2007 dodge grand caravan radio fuses. We have the following 2005 dodge caravan manuals available for free pdf download. You may find documents other than just manuals as we also make available many user guides, specifications documents, promotional details, setup documents and more. We have 18 dodge vehicles diagrams, schematics or service manuals to choose from, all free to download! At this time were delighted to declare that we have found an collection of 2002 dodge caravan wiring diagram. Manuals and user guides for dodge grand caravan. Dodge grand caravan 2002 workshop manual pdf this webpage contains dodge grand caravan 2002 workshop manual pdf used by dodge garages, auto repair shops, dodge dealerships and home mechanics. It shows the components of the circuit as simplified shapes, and the capability and signal connections between the devices. The location and function of fuses in cars produced. A wiring diagram usually gives assistance about the relative. Contents engine compartment & headlights electronic control module (2.5l). Dodge caravan is one of the latest, released this concern, models that can carry up to seven people. .member, and given my 02 dodge grand caravan situation, i should've joined the problem.

The location and function of fuses in cars produced. I have a 2007 dodge grand caravan sxt, and for the sakes of my remaining hair, i could use some help… i have been fixing this vehicle myself with good success, but recently it got into some electrical funkiness that is sort of the end of my realm, because i don't have the applicable wiring diagrams. It shows the components of the circuit as simplified shapes, and the capability and signal connections between the devices. 2007 dodge grand caravan radio fuses. Chrysler gs voyager caravan grandcaravan 1998 system wiring diagrams pdf.

96 Dodge Caravan Wiring Diagrams Wiring Diagram Diode Uyt Diode Uyt Teglieromane It
96 Dodge Caravan Wiring Diagrams Wiring Diagram Diode Uyt Diode Uyt Teglieromane It from static-resources.imageservice.cloud
Dodge grand caravan es 1993 wiring diagrams sch. Contents engine compartment & headlights electronic control module (2.5l). Chrysler wiring diagrams are designed to provide information dodge grand caravan es 1993 system wiring diagrams pdf. Fuse box diagram (location and assignment of electrical fuses and relays) for dodge caravan (2001, 2002, 2003, 2004, 2005, 2006, 2007). We have the following 2005 dodge caravan manuals available for free pdf download. 1996 dodge caravan blower motor wiring diagram 34 kb. The previously released dodge charge has more powerful technical. Question about 2002 dodge grand caravan.

2007 dodge grand caravan radio fuses.

Question about 2002 dodge grand caravan. Preview of dodge grand caravan es 1993 wiring diagrams sch 1st page click on the link for free download! The location and function of fuses in cars produced. Town & country caravan no bus diagnostic. Wiring diagrams 1993 wiring diagrams chrysler corp. At this time were delighted to declare that we have found an collection of 2002 dodge caravan wiring diagram. Fuse box diagram (location and assignment of electrical fuses and relays) for dodge caravan (2001, 2002, 2003, 2004, 2005, 2006, 2007). It shows the components of the circuit as simplified shapes, and the capability and signal connections between the devices. We have 18 dodge vehicles diagrams, schematics or service manuals to choose from, all free to download! We have the following 2005 dodge caravan manuals available for free pdf download. 1996 dodge caravan blower motor wiring diagram 34 kb. I have a 2007 dodge grand caravan sxt, and for the sakes of my remaining hair, i could use some help… i have been fixing this vehicle myself with good success, but recently it got into some electrical funkiness that is sort of the end of my realm, because i don't have the applicable wiring diagrams. 2005 mitchell repair information company, llc.

Dodge grand caravan 2002 workshop manual pdf this webpage contains dodge grand caravan 2002 workshop manual pdf used by dodge garages, auto repair shops, dodge dealerships and home mechanics. Caravan power window lift system circuit diagram. Town & country caravan no bus diagnostic. Contents engine compartment & headlights electronic control module (2.5l). So, i need the wiring / electrical schematic for this van, or if anyone hi tizzy, could you send me a 2002 dodge caravan wiring diagram headlights.

2002 Dodge Caravan Crank No Start Asd Relay Clicking Youtube
2002 Dodge Caravan Crank No Start Asd Relay Clicking Youtube from i.ytimg.com
It shows the components of the circuit as simplified shapes, and the capability and signal connections between the devices. You may find documents other than just manuals as we also make available many user guides, specifications documents, promotional details, setup documents and more. Preview of dodge grand caravan es 1993 wiring diagrams sch 1st page click on the link for free download! We have the following 2005 dodge caravan manuals available for free pdf download. The location and function of fuses in cars produced. Owner's manual, user manual, specifications. Dodge grand caravan 2002 workshop manual pdf this webpage contains dodge grand caravan 2002 workshop manual pdf used by dodge garages, auto repair shops, dodge dealerships and home mechanics. At this time were delighted to declare that we have found an collection of 2002 dodge caravan wiring diagram.

Caravan power window lift system circuit diagram.

Caravan power window lift system circuit diagram. I have a 2007 dodge grand caravan sxt, and for the sakes of my remaining hair, i could use some help… i have been fixing this vehicle myself with good success, but recently it got into some electrical funkiness that is sort of the end of my realm, because i don't have the applicable wiring diagrams. Chrysler wiring diagrams are designed to provide information dodge grand caravan es 1993 system wiring diagrams pdf. Dodge caravan is one of the latest, released this concern, models that can carry up to seven people. 1993 dodge grand caravan es. A wiring diagram is a streamlined traditional photographic representation of an electrical circuit. The previously released dodge charge has more powerful technical. 2007 dodge grand caravan radio fuses. Dodge grand caravan es 1993 wiring diagrams sch. We have the following 2005 dodge caravan manuals available for free pdf download. So, i need the wiring / electrical schematic for this van, or if anyone hi tizzy, could you send me a 2002 dodge caravan wiring diagram headlights. Wiring diagrams 1993 wiring diagrams chrysler corp. You may find documents other than just manuals as we also make available many user guides, specifications documents, promotional details, setup documents and more.

By